公司簡介
|
金湖正興儀表有限公司始建于本世紀,自成立之初就樹立了明確目標:“以技術為中心,以科技為動力”讓世界了解正興儀表,讓正興儀表走向全世界!公司全體員工為實現這一目標進行了不懈的努力,經過多年的發展和拼搏,正興儀表公司掌握了儀器、儀表的技術核心,使正興儀表在各行領域中真正地成為儀器、儀表行業中的領頭羊! 正興儀表的發展源于廣大客戶的支持,用戶的信賴取決于正興儀表自身的努力。在未來的發展中,正興儀表公司還將繼續秉承技術專家的理念,不斷提升自身的技術水平,為客戶提供卓越的服務品質,塑造行業典范。愿正興儀表能夠成為您工作中的朋友和溝通中的橋梁,在成功的道路上共同前進!
|
|
展開
產品說明
| |
 |
|
用途說明
|
|
一般壓力表適用于測量無爆炸危險、不結晶、不凝固及銅及銅合金不起腐蝕作用的液體、蒸氣和氣體等介質的壓力。
|
|
Y系列彈簧管壓力表主要技術指標
|
|
測量范圍、精確度等級
|
| 型號 |
結構形式 |
精度等級 |
測量范圍MPa |
備注 |
|
Y-40
Y-40Z
|
徑向無邊
軸向無邊
|
2.5
|
0~0.1;0~0.16;0~0.25;0~0.4;
0~0.6;0~1.0;0~1.6;0~2.5;
0~4.0;0~6.0;0~10;0~16;
0~25;0~40 |
YZ表示壓力真空表
Z表示真空表
Y表示一般壓力表
YB表示精密壓力表
壓力表又稱一般壓力表和彈簧管式壓力表,精密
稱標準壓力表。壓力真空表包括負壓與
正壓量程范圍指示,軸向壓力表φ60型訂貨時請
注明接頭螺紋M10×1或M14×1.5。
特殊軸向壓力表可根據用戶要求定制
|
|
Y-60
Y-60Z
Y-60T
Y-60ZT
|
徑向無邊
軸向無邊
徑向帶后邊
軸向帶前邊
|
Y-100
Y-100Z
Y-100T
Y-100ZT |
徑向無邊
軸向無邊
徑向帶后邊
軸向帶前邊 |
1.6 |
0~0.1;0~0.16;0~0.25;0~0.4;
0~0.6;0~1.0;0~1.6;0~2.5;
0~4.0;0~6.0;0~10;0~16;25;
0~40;0~60;0~100 |
Y-150
Y-150Z
Y-150T
Y-150ZT |
徑向無邊
軸向無邊
徑向帶后邊
軸向帶前邊 |
Y-200
Y-250 |
徑向無邊
徑向無邊 |
0~0.6;0~1.0;0~1.6;0~2.5;
0~4.0;0~6.0 |
Z-40
YZ-40 |
徑向無邊
徑向無邊 |
2.5 |
-0.1~0;-0.1~0.06;-0.1~0.15;
-0.1~0.3;-0.1~0.5;-0.1~0.9;
-0.1~1.5;-0.1~2.4 |
|
Z-50
YZ-50
|
徑向無邊
徑向無邊 |
Z-60
YZ-60
YZ-60Z
Z-60ZT |
徑向無邊
徑向無邊
軸向無邊
軸向帶前邊 |
Z-100
YZ-100
YZ-100Z
Z-100ZT |
徑向無邊
徑向無邊
軸向無邊
軸向帶前邊 |
1.6 |
Z-150
YZ-150
YZ-150Z
Z-150ZT |
徑向無邊
徑向無邊
軸向無邊
軸向帶前邊 |
|
Z-200
|
徑向無邊
|
|
|
使用環境條件:-40~70℃,相對濕度不大于85%。
溫度影響:使用溫度偏離20±5℃時,不大于0.4%/10℃。
|
|
|
|
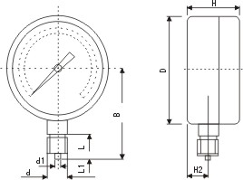
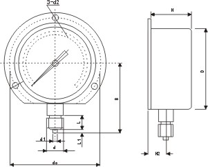
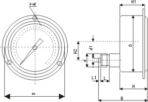
外形尺寸
|

Y-40、60、100、150、200、250
|
 Y-40、60、100、150Z
|

Y-60T、100T、150T
|

Y-60ZT、100ZT、150ZT
|
| |
|
| |
單位:mm
|
|
| 型號 |
D |
d |
d1 |
L |
d0 |
B |
H |
d2 |
H1 |
H2 |
L1 |
| Y40 |
Φ40 |
M10×1 |
Φ2.5 |
10 |
|
38 |
24 |
|
|
8.5 |
2 |
| Y40Z |
|
40 |
24 |
|
|
0 |
| Y60 |
Φ60 |
M14×1.5或M10×1 |
Φ5 |
14 |
|
56 |
30 |
|
|
12 |
| Y60Z |
|
58 |
30 |
|
|
0 |
| Y60T |
72 |
56 |
30 |
Φ4.5 |
|
13 |
| Y60ZT |
53 |
30 |
Φ4.5 |
24 |
0 |
| Y100 |
Φ100 |
M20×1.5 |
Φ6 |
20 |
|
90 |
44 |
|
|
18 |
| Y100Z |
|
85 |
44 |
|
|
30 |
| Y100T |
118 |
90 |
45 |
Φ5.5 |
|
18 |
| Y100ZT |
85 |
44 |
Φ5.5 |
39 |
30 |
| Y150 |
Φ150 |
|
115 |
48 |
|
|
18 |
| Y150Z |
|
92 |
47 |
|
|
30 |
| Y150T |
165 |
115 |
48 |
Φ5.5 |
|
18 |
| Y150ZT |
92 |
47 |
Φ5.5 |
41 |
30 |
| Y200 |
Φ200 |
|
146 |
50 |
|
|
18 |
| Y250 |
Φ250 |
|
167 |
50 |
|
|
18 |
|
| |
|
本頁產品地址:http://m.xuanwu-technology.cn/sell/show-186564.html

免責聲明:以上所展示的[
彈簧管壓力表]信息由會員[
江蘇金湖正興儀表有限公司]自行提供,內容的真實性、準確性和合法性由發布會員負責。
[給覽網]對此不承擔任何責任。
友情提醒:為規避購買風險,建議您在購買相關產品前務必確認供應商資質及產品質量!