產品簡介
自動校準和人工校準功能;自動到手動的無擾動切換;可分別帶有一路模擬量控制輸出、一路開關量控制輸出;繼電器正轉、反轉控制及一路模
公司簡介
公司座落在美麗富饒的高郵湖畔,有天下第一荷花美稱的魚米之鄉——金湖境內,交通方便,東臨京滬高速、西靠寧連高速、鹽金線貫穿境內。成立于2004年,是一家集科研、生產、成套工程為一體的高新技術企業。企業擁有雄厚的技術力量、先進的生產設備,科學合理的生產工藝,健全的質保體系,為產品的高標準提供了有力的保障。生產的標準校驗裝置、電磁流量計、渦街流量計、孔板流量計、金屬轉子流量計、精密數字壓力計、物位計、壓力表、隔膜壓力表、不銹鋼壓力表、熱電阻、熱電偶、雙金屬溫度計、壓力變送器、差壓變送器、靜高壓變送器、無紙記錄儀、電接點壓力表、一體化溫度變送器、導納科位儀、智能壓力效驗儀、電線電纜等產品在石化、電力、冶金以及國防等行業的自動化控制中得到了廣泛的應用。代理的羅斯蒙特、橫河EJA等我廠產品也為國內各行業提供了大量技術先進、可靠實用的測量控制儀表,深受用戶歡迎。我們本著質量第一,服務第一,誠信第一的宗旨,愿與客戶攜手,以全新的營銷策略,走向更廣闊的市場。公司成立以來憑借良好的信譽及優質的服務已經與各地區的生產廠商建立了長期穩定的商業貿易伙伴關系。
展開
產品說明
自動校準和人工校準功能;自動到手動的無擾動切換;可分別帶有一路模擬量控制輸出、一路開關量控制輸出;繼電器正轉、反轉控制及一路模擬量輸出,適用于各種測量控制場合;多重保護、隔離設計、抗干擾能力強、可靠性高;良好的軟件平臺,具備二次能力,可以滿足特殊的功能;先進的模塊結構,配合功能強大的儀表芯片,功能組合、系統升級非常方便.
| TC-DFD系列手動操作器/光柱顯示手動操作器主要特點: |
手操器有效的解決在自動問題上的執行輸出問題;增加了事件輸入、強制手動輸入、遠程控制等功能;功能集成度高(只用一種程序就能實現功能切換);增加了上電狀態:手/自動狀態選擇功能。
能自動跟隨輸入值進行控制輸出(模擬量控制輸出或開關量控制輸出)。可實現自動/手動無擾動切換。手動切換至自動時,采用逼近法積算,并帶切換限幅功能,以實現手動/自動的平穩切換。
可兩路同時輸入并顯示測量信號及反饋信號。
可隨意改變儀表的輸入信號類型。采用新無跳線技術,只需設定儀表內部參數,即可將儀表從一種輸入信號改為另一種輸入信號。進一步提高了儀表的多用性與可靠性。
可分別帶有一路模擬量控制輸出或一路開關量控制輸出(繼電器正轉、反轉控制)及一路模擬量變送輸出,適用于各種測量控制場合。
可帶串行通信輸出,可與各種帶串行輸入/輸出的設備進行雙向通信,組成網絡控制系統。采用標準MODBUS RTU通信協議;
采用雙LED數碼(可同時顯示測量值+閥位反饋值--或輸出量)+雙光柱(可同時顯示測量值+閥位反饋值--或輸出量,光柱顯示)顯示,使顯示更為直觀迅速。 |
技術指標 |
| 商 標 |
型 號
|
| TC-DFD-X |
D/S 835、D735、D935、D/S435、TD/TS835系列
|
| 輸入信號 |
熱 電 偶:K、E、S、B、J、T;冷端溫度自動補償范圍0~50℃,補償準確度±1℃。
熱 電 阻:Pt100、Pt100.1、Cu50;引線電阻補償范圍≤15Ω。
遠傳電阻:30~350Ω(遠傳壓力表)
直流電壓:0~5V、1~5V;
直流電流:0~10mA、4~20mA。
輸入阻抗:電流信號Ri≥250Ω,電壓信號Ri≥250KΩ。
|
| 輸出信號 |
模擬量輸出:DC 0~10mA輸出(負載電阻≤750Ω) DC 4~20mA輸出(負載電阻≤500Ω)
DC 0~5V輸出(負載電阻≥250KΩ) DC 1~5V輸出(負載電阻≥250KΩ)
開關量輸出:繼電器控制輸出--繼電器ON/OFF帶回差。AC220V/1A,DC24V/3A (阻性負載)
可控硅控制輸出─SCR(可控硅過零觸發脈沖)輸出,光電隔離,400V/0.5A
固態繼電器控制輸出─SSR(固態繼電器控制信號)輸出,光電隔離,6~24V/30mA
雙向可控硅無觸點開關輸出─SOT輸出,光電隔離,400V/7A
通訊輸出:接口方式--標準串行雙向通訊接口:光電隔離,RS-485,RS-232等
波特率─1200~9600bps 內部自由設定
通訊協議─采有標準MODBUS RTU通訊協議
饋電輸出:DC24±1V,負載電流≤30mA
|
| 特 性 |
測量精度:±0.5%FS或0.2%FS
分 辨 率:±1字
測量范圍:-1999~9999字
顯示方式:-1999~9999字測量值顯示 -1999~9999字設定值顯示
-1999~9999字控制目標值顯示 0~100%輸出量顯示
雙LED+雙光柱顯示 發光二極管工作狀態顯示
溫度補償:0~50℃數字式溫度自動補償
參數設定:·面板輕觸式按鍵數字設定
·參數設定值斷電后保存 ·參數設定值密碼鎖定
保護方式:·輸入回路斷線報警(熱電偶或電阻輸入時),繼電器輸出狀態LED指示
·輸入超/欠量程報警
·電源欠壓自動復位
·工作異常自動復位(Watch Dog)
|
| 使用環境 |
環境溫度:0~50℃
相對濕度:≤85%RH ·避免強腐蝕性氣體
供電電壓:常規型 AC220V %(50Hz±2Hz線性電源)
特殊型 AC90V~265V-開關電源
DC24V±2V-開關電源
功 耗:≤5W(AC220V線性電源供電)
≤4W(AC90~265V開關電源供電)
≤4W(DC24V開關電源供電) |
| TC-DFD-X |
D/TD835系列(橫式) |
S/TS835系列(豎式) |
| 儀表外形 |

|

|
| 外形尺寸 |
寬×高×深:160×80×140mm |
寬×高×深:80×160×140mm |
| 開孔尺寸 |
單位:mm
|
單位:mm
|
| 重量 |
·常規型:850g ·特殊型:550g |
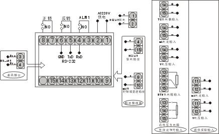
| 接線圖 |
橫式

注:特殊訂貨與本接線圖不同之處,以隨機接線圖為準。(豎式與上接線圖一致,但方向不一樣,豎式儀表向左逆時針旋轉90℃,豎式光柱向右順時針旋轉90℃。)不同功能在同一端子的,只能選其中一種功能。
|
| TC-DFD-X |
D435(橫式) |
S435(豎式) |
| 儀表外形 |
 |
 |
| 外形尺寸 |
寬×高×深:96×48×105mm |
寬×高×深:48×96×105mm |
| 開孔尺寸 |
單位:mm |
單位:mm |
| 重量 |
·常規型:350g |
·特殊型:240g |
| 接線圖 |
橫式

注:特殊訂貨與本接線圖不同之處,以隨機接線圖為準。(豎式與上接線圖一致,但方向不一樣,
豎式儀表向左逆時針旋轉90℃。)不同功能在同一端子的,只能選其中一種功能。
|
| TC-DFD-X |
D935系列 |
D735系列 |
| 儀表外形 |
 |
 |
| 外形尺寸 |
寬×高×深:96×96×105mm |
寬×高×深:72×72×112mm |
| 開孔尺寸 |
單位:mm |
單位:mm |
| 重量 |
·常規型:500g |
·特殊型:350g |
| 接線圖 |
D935系列

備注:特殊訂貨與本接線圖不同之處,以隨機接線圖為準。不同功能在同一端子的,只能選其中一種功能。
D735系列

備注:特殊訂貨與本接線圖不同之處,以隨機接線圖為準。不同功能在同一端子的,只能選其中一種功能。
|
|
本頁產品地址:http://m.xuanwu-technology.cn/sell/show-145852.html

免責聲明:以上所展示的[
TC-DFD 手操器]信息由會員[
江蘇天辰儀表有限公司]自行提供,內容的真實性、準確性和合法性由發布會員負責。
[給覽網]對此不承擔任何責任。
友情提醒:為規避購買風險,建議您在購買相關產品前務必確認供應商資質及產品質量!